Двухкамерный холодильник Indesit RG 2330 является одним из самых популярных изделий фирмы Merloni Elettrodomestici на рынке стран СНГ: только в 1997 г. было продано свыше 4700 единиц в модификациях W (белый) и TI (отделка корпуса «под дерево»).Холодильник выполнен по классической схеме с морозильным отделением сверху, имеет один компрессор.Внешний вид холодильника показан на рис. 1
Рис. 1. Внешний вид холодильника Indesit RG 2330 W EU:
1 — рукоятка установки температуры; 2 — съемные дверные полки для продуктов; 3 — съемный держатель бутылок; 4 — полка для бутылок; 5, 6 — регулируемые ножки; 7 — ящики для овощей и фруктов; 8 — дренажное отверстие; 9 — полки; 10 — лампа подсветки; 11 — морозильное отделение
На рис. 2. приведены компоненты холодильника (табл. 1).
Рис. 2. Компоненты холодильника Indesit RG 2330 W EU
| Поз. | Наименование | Поз. | Наименование |
|---|---|---|---|
| 1 | Кожух лампы | 14 | Шнур питания |
| 2 | Лампа | 15 | Провод заземления |
| 3 | Патрон лампы | 16 | Поперечина компрессора |
| 4 | Пластиковая вставка | 17 | Компрессор |
| 5 | Зажим проводов | 18 | Амортизатор компрессора |
| 6 | Заглушка | 19 | Крепежная пластина |
| 7 | Короб термостата | 20 | Соединительная трубка |
| 8 | Нажимной выключатель | 21 | Лоток сбора конденсата |
| 9 | Рукоятка термостата | 22 | Амортизационная втулка |
| 10 | Термостат | 23 | Фильтр-осушитель |
| 11 | Уплотнение датчика | 24 | Крышка |
| 12 | Датчик термостата | 25 | Конденсатор |
| 13 | Лоток сбора конденсата |
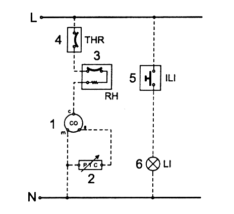
Электрическая схема холодильника приведена на рис. 3.
Рис. 3. Электрическая схема одно- и двухдверных холодильников:
1 — компрессор: 2 — пускозащитное реле; 3 — термореле; 4 — регулируемый термостат; 5 — выключатель лампы; 6—лампа; 7—антиконденсатное сопротивление: L — фаза; N — нейтралы