Рассмотрим конструкцию и диагностику неисправностей двухкамерного холодильника BEKO NRF 5050 X с системой No Frost. Особенностью этой модели является наличие в ней системы электронного управления и оповещения владельца о возникающих неисправностях с помощью индикаторной панели.На рис. 1 показан внешний вид холодильника.

Рис. 1. Внешний вид холодильника BEKO NRF 5050 X:
1 — контейнеры для овощей; 2 — полки холодильного отделения; 3 — морозильное отделение; 4 — лоток для льда; 5 — индикаторная панель; 6 — кнопки управления; 7 — дверные полки
Вид индикаторной панели холодильника показан на рис. 2.

Рис. 2. Вид индикаторной панели холодильника BEKO NRF 5050 X:
1 — индикатор работы морозильной камеры; 2 — индикаторы заданной и фактической температур морозильной камеры; 3 — индикатор работы холодильной камеры; 4 — индикаторы заданной и фактической температур холодильной камеры; 5 — индикатор открытой двери; 6 — индикатор превышения допустимой температуры; 7 — индикатор режима быстрого замораживания
Индикатор работы морозильной камеры
Мигание этого индикатора указывает, что при нажатии на кнопку выбора температуры можно будет задать температурный режим морозильной камеры.
Индикатор работы холодильной камеры
Мигание этого индикатора указывает, что при нажатии на кнопку выбора температуры можно будет задать температурный режим холодильной камеры.
Индикаторы заданной температуры морозильной камеры
Светящийся индикатор указывает температуру, заданную для морозильной камеры.
Можно выбрать температуру -12°С, -18°С или -24°С.
Индикаторы заданной температуры холодильной камеры
Светящийся индикатор указывает температуру, заданную для холодильной камеры.
Можно выбрать температуру +2°С, +5°С или +8°С, либо отключить охлаждение.
Индикаторы фактической температуры морозильной камеры
Указывают фактическую температуру в морозильной камере.
Индикаторы фактической температуры холодильной камеры
Указывают фактическую температуру в холодильной камере.
Индикатор открытой двери
Индикатор мигает, если открыта одна из дверей. В том случае, если дверь остается открытой дольше одной минуты, срабатывает звуковая сигнализация, которая отключается после закрытия дверей.
Индикатор превышения допустимой температуры
Индикатор включается при увеличении температуры в морозильной камере на 5°С выше заданной. Если эта сигнализация сработала, то для скорейшего понижения температуры следует воздержаться от открывания дверей до тех пор, пока сигнализация не отключится.
Индикатор режима быстрого замораживания
При включении режима быстрого замораживания этот индикатор мигает до тех пор, пока температура в отделении не опустится до величины, достаточной для быстрого замораживания (-27 °С). После достижения необходимой температуры индикатор светится, не мигая. Если режим быстрого замораживания не включен, то индикатор не светится.
Сигнал готовности отделения быстрого замораживания
Как только температура в отделении быстрого замораживания понизится до необходимого уровня, то на 10с включается звуковая сигнализация. Это означает, что в отделение можно класть продукты. Этот звуковой сигнал отличается от сигнала, сообщающего о незакрытой двери.
На рис. 3 показаны кнопки управления холодильником:
- BOLME (КАМЕРА) — кнопка выбора камеры;
- SICAKLIK (ТЕМПЕРАТУРА) — кнопка выбора температуры;
- HIZLI DONDURMA (БЫСТРОЕ ЗАМОРАЖИВАНИЕ) — кнопка быстрого замораживания.
С помощью этих кнопок задают температуру камер холодильника и выбирают режим работы. Кнопка 1 предназначена для выбора камеры, для которой будет задана температура. С помощью кнопки 2 задается температура в выбранной камере. Кнопка 3 используется для включения режима быстрого замораживания. Кроме этих основных функций, у кнопок имеются и дополнительные. Если не позднее 10 с после включения холодильника в сеть одновременно нажать кнопки 1 и 3 и удерживать их в течение 2 с, то холодильник переходит
в режим автоматического тестирования (см. ниже). Если в нормальном режиме работы холодильника нажать одновременно кнопки 1 и 2 и удерживать в течение 10 с, холодильник переключается на заводские установки температурного режима.

Рис. 3. Кнопки управления холодильником BEKO NRF 5050 X:
1 — кнопка выбора камеры; 2 — кнопка выбора температуры; 3 — кнопка быстрого замораживания
Кнопка выбора камеры
Нажатиями на эту кнопку можно попеременно выбирать морозильную и холодильную камеры для настройки температурного режима. Индикатор выбранной камеры мигает в течение 10 с.
Кнопка выбора температуры
Данная кнопка позволяет задать нужную температуру в камере, выбранной с помощью кнопки выбора камеры.
Кнопка быстрого замораживания
Эта кнопка включает режим быстрого замораживания. При работе холодильника в данном режиме индикатор быстрого замораживания мигает. После достижения необходимой температуры холодильник автоматически выходит из режима быстрого замораживания. Повторное нажатие на эту кнопку также выключает режим быстрого замораживания. Если режим быстрого замораживания выключен, то индикатор быстрого замораживания не светится.
Первое включение
При первом включении холодильника индикаторы работы камер и индикаторы температуры начинают мигать. При первом включении автоматически задается температура +5°С в холодильной камере и -18°С в морозильной камере. После нажатия кнопки выбора камеры все индикаторы начинают светиться, не мигая. Компрессор холодильника начинает работать через 4 мин после включения в сеть. После этого температура в камерах понижается до заданного значения приблизительно в течение 24 ч (в зависимости от температуры в комнате и загрузки холодильника).
За понижением температуры можно следить по включению соответствующих индикаторов.
Задание температуры при первом включении
При первом включении следует задать для морозильной камеры температуру-18 °С, а для холодильной камеры +2 °С. Для этого необходимо, в первую очередь, нажать кнопку выбора камеры. Индикаторы при этом начинают светиться, не мигая. После повторного нажатия кнопки начинает мигать индикатор морозильной камеры. Затем следует с помощью кнопки выбора температуры задать для морозильной камеры температуру -18°С. Вновь нажать кнопку выбора камеры. Начинает мигать индикатор работы холодильной камеры. С помощью кнопки выбора температуры задать для холодильной камеры температуру +2°С. Если в течение 10 с после этого не будет нажата ни одна кнопка, то индикаторы начинают светиться, не мигая.
В дальнейшем температурный режим следует выбирать в соответствии с табл. 1.
Таблица 1. Температурные режимы холодильника BEKO NRF 5050 X
| Индикация | Морозильная камера | Холодильная камера | Описание |
|---|---|---|---|
![]() |
Нормальное охлаждение -температура -18°С | Нормальное охлаждение температура +5 °С | Обычное использование. Морозильная камера используется для глубокого замораживания продуктов |
![]() |
Минимальное охлаждение - температура -12°С | Нормальное охлаждение температура +5°С | Экономичное использование. Применяется, когда в морозильной камере нет продуктов или срок хранения продуктов небольшой (несколько дней) |
![]() |
Максимальная температура -24°С | Нормальное охлаждение температура +5°С | Используется для быстрого получения кубиков льда или для быстрого замораживания при температуре воздуха в помещении более +30°С |
![]() |
Быстрое замораживание | Нормальное охлаждение температура +5°С | Используется для быстрого получения кубиков льда или для быстрого замораживания продуктов. После окончания этого режима задать режим обычного использования |
![]() |
Нормальное охлаждение, температура -18°С, или максимальное, температура -24°С | Максимальное охлаждение — температура +2°С | Этот режим выбирается в том случае, если приходится часто открывать дверь холодильника или если имеет место высокая температура воздуха в помещении |
Использование задвижки контейнера для овощей для регулирования влажности
Особая конструкция контейнера для овощей позволяет сохранять овощи свежими, предотвращая их высыхание. Контейнер охлаждается в основном благодаря циркуляции холодного воздуха вдоль боковых стенок контейнера, а вентиляция контейнера регулируется задвижкой, расположенной на его крышке. Изменяя положение задвижки можно регулировать влажность и температуру воздуха в контейнере (рис. 4).

Рис. 4. Задвижка контейнера для овощей
Индикатор превышения допустимой температуры
В том случае, если температура морозильной камеры поднимается на 5°С выше заданной, загорается индикатор превышения допустимой температуры (рис. 2., поз. 6). Это может происходить из-за перегрузки холодильника или из-за того, что двери долго оставались открытыми. Для того чтобы холодильник быстрее восстановил правильный температурный режим, не следует открывать двери, пока не погаснет индикатор превышения допустимой температуры. Поддержание правильного температурного режима особенно важно для длительного хранения сильно замороженных продуктов.Индикатор мигает до тех пор, пока температура не опускается до нужного уровня. Эта сигнализация начинает действовать через 24 ч после включения холодильника в сеть. Во время оттаивания сигнализация повышения температуры отключается, а после окончания оттаивания автоматически активизируется.
Индикатор открытой двери
Индикатор мигает, если открыта одна из дверей. В том случае, если дверь остается открытой дольше одной минуты, срабатывает звуковая сигнализация, которая отключается после закрытия дверей.
Сигнал готовности отделения быстрого замораживания
После того как температура в морозильной камере опускается до уровня, необходимого для быстрого замораживания, включаются световой и звуковой сигналы. Эти сигналы указывают, что в камеру можно загружать продукты для быстрого замораживания. Звуковой сигнал готовности камеры к быстрому замораживанию является приоритетным по отношению к сигналу открытой двери. Если обе сигнализации должны сработать одновременно, то подается звуковой сигнал готовности к быстрому замораживанию.
Индикация неисправности
Индикаторы работы холодильной и морозильной камер служат также и для подачи сигналов о неисправности холодильника. На неисправность указывает мигание какого-либо из индикаторов. В случае обнаружения электронной системой управления неисправности в системе охлаждения одной из камер, соответствующий индикатор начинает мигать, а холодильник выключается.
Система охлаждения
Циркуляция хладагента производится с помощью компрессора производительностью 195 ккал/ч. В холодильнике имеется два конденсатора хладагента, один из которых расположен внизу, под холодильником. Вода, образующаяся при оттаивании, стекает на нижний конденсатор и там испаряется. Рядом с компрессором расположен вентилятор, который создает поток воздуха, проходящий вдоль задней поверхности холодильника, и обеспечивает отвод тепла от основного конденсатора. В холодильнике используется испаритель сотового типа. Хладагент из компрессора поступает в участок трубопровода, проложенный в стенках вдоль дверного отверстия, благодаря чему предотвращается образование конденсата на внутренней поверхности холодильного шкафа. После этого хладагент поступает в нижний и в основной конденсаторы.Схема системы охлаждения показана на рис. 5.

Рис. 5. Схема системы охлаждения холодильника BEKO NRF 5050 X:
1 — основной конденсатор; 2 — фильтр—осушитель; 3 — испаритель; 4 — ресивер; 5 — компрессор; 6 — нижний конденсатор; 7 — противоконденсатная («теплая») трубка
Управляющая плата
Управляющая плата находится под панелью управления холодильника. Для работы платы напряжение в сети должно быть 192-242 В. На плате смонтирован микропроцессор, управляющий всеми функциями холодильника, а также другие элементы управляющих цепей и индикаторные лампы. Микропроцессор обрабатывает сигналы, поступающие от датчиков, концевых выключателей и кнопок управления, и подает управляющие сигналы на силовую плату.
Силовая плата
Силовая плата расположена под верхней крышкой у задней поверхности холодильника. На плате смонтированы выпрямитель и четыре реле, управляющие заслонкой (реле 1), вентилятором (реле 2), нагревателем (реле 3) и компрессором (реле 4).На рис. 6 показано расположение реле на силовой плате и обозначены адреса и цвета подключенных к ней проводов.Слаботочные элементы силовой платы обеспечивают питание управляющей платы и элементов, подсоединенные непосредственно к ней.Команды включения-отключения передаются от управляющей платы на соответствующие устройства через реле, расположенные на силовой плате.

Рис. 6. Силовая плата холодильника BEKO NRF 5050 X
Реле №1
Управляет заслонкой. Заслонка срабатывает при наличии переменного напряжения 100 В между клеммой синего провода трансформатора и клеммой оранжевого провода силовой платы. Если заслонка не работает, проверяют провода и заслонку.
Реле №2
Управляет вентилятором. Вентилятор работает при наличии переменного напряжения 220 В между клеммой синего провода трансформатора и клеммой розового провода силовой платы. Если вентилятор не работает, проверяют провода, концевые выключатели дверей и вентилятор.
Реле №3
Управляет нагревателем испарителя. Нагреватель работает при наличии переменного напряжения 220 В между клеммой синего провода трансформатора и клеммой желтого провода силовой платы. Если при наличии этого напряжения нагреватель не работает, проверяют провода и нагреватель.
Реле №4
Управляет компрессором. Компрессор работает при наличии переменного напряжения 220 В между клеммой синего провода трансформатора и клеммой черного провода силовой платы. Если при наличии этого напряжения компрессор не работает, проверяют провода, реле, предохранитель и компрессор.
Датчики
Датчики служат для измерения температуры в холодильнике и передачи этой информации на управляющую плату. В холодильнике имеется три температурных датчика.
Датчик морозильной камеры
Находится между пружиной левой двери морозильной камеры и внутренней частью корпуса, Датчик измеряет температуру внутри морозильной камеры и передает сигнал на микропроцессор. На данных, полученных от этого датчика, основывается управление индикатором работы морозильной камеры, компрессором и сигнализацией готовности к быстрому замораживанию.
Датчик холодильной камеры
Находится в специальном гнезде над коробкой лампы. Датчик измеряет температуру внутри холодильной камеры и передает сигнал на микропроцессор. На данных, полученных от этого датчика, основывается управление индикатором работы холодильной камеры и заслонкой.
Датчик испарителя
Находится над испарителем рядом с капиллярной трубкой. Датчик измеряет температуру испарителя и передает сигнал на микропроцессор. Включение и выключение режима оттаивания основывается на данных, полученных от этого датчика.
Автоматическое оттаивание
В холодильнике применяется саморегулирующаяся система оттаивания. Время оттаивания определяется автоматически в зависимости от времени предыдущего оттаивания. Если продолжительность первого оттаивания мала, то перед вторым оттаиванием компрессор включается на более длительное время. При работе компрессора в течение 8 ч время оттаивания составляет максимум 60 мин. Оттаивание начинается при 0°С и заканчивается при 10 °С. Через 5 мин после завершения оттаивания включается вентилятор.
Заслонка
Заслонка расположена внутри коробки терморегулятора в холодильной камере в месте поступления в нее холодного воздуха. Если температура в холодильной камере поднимается выше заданной, то заслонка открывается, холодный воздух поступает в камеру и температура в ней понижается. Когда температура в камере опускается до заданного уровня, заслонка закрывается и прекращает доступ холодного воздуха. Заслонка питается переменным напряжением 100 В, управление осуществляется подачей постоянного напряжения 5 В. Для того чтобы в холодильной камере поддерживалась заданная температура, воздух не должен проникать в камеру через щели между коробкой терморегулятора и стенками камеры. Поэтому для термоизоляции следует пользоваться только фирменными прокладками.
Трансформатор
Находится внутри верхней двери. Трансформатор обеспечивает переменное напряжение 12 В, необходимое для питания электронных плат и переменное напряжение 100 В, необходимое для питания заслонки. Переменное напряжение 12 В преобразуется в постоянное напряжение 5 В выпрямителем, смонтированным на силовой плате.
Вентилятор
Находится внутри холодильника на задней крышке испарителя. Вентилятор создает поток воздуха, проходящий над поверхностью испарителя и через обе камеры холодильника. Благодаря этому внутри холодильника поддерживается постоянная температура. Во время оттаивания вентилятор не работает. Для эффективной работы вентилятора задняя крышка испарителя должна быть закрыта. Кроме того, над задней крышкой испарителя обязательно должна устанавливаться фирменная изолирующая прокладка, чтобы предотвратить проникновение воздуха через щели.
Нагреватели
В холодильнике имеется три нагревателя:
Нагреватель испарителя
Решетчатый нагреватель типа «сэндвич» расположен на испарителе. Включается только во время размораживания холодильника и служит для удаления снега и льда с испарителя.
Нагреватель дренажного канала
Размещается в дренажном канале под испарителем. Включается только во время размораживания холодильника и служит для удаления льда из дренажного канала, обеспечивая беспрепятственный сток воды.
Нагреватель воздушного канала
Размещается на задней поверхности воздушного канала холодильной камеры. Предотвращает конденсацию воды в передней части канала. Включается и отключается вместе с компрессором.
Предохранитель
Размещается в левой нижней части испарителя на поверхности нагревателя, завернут в алюминиевую фольгу. Предохранитель установлен на случай неисправности, при которой обогреватели оказываются постоянно включенными, он предотвращает недопустимое повышение температуры холодильника. При срабатывании предохранителя обогреватели отключаются. Предохранитель после этого необходимо заменить.
Лампы
В холодильнике имеется 3 лампы мощностью 15 Вт: одна в холодильной камере и две в морозильной камере. Для эффективной работы холодильника необходимо использовать лампы мощностью не более 15 Вт.
Сигнализация неисправности
Сигналы неисправности извещают пользователя о необходимости вызвать специалиста по ремонту. Эти сигналы не могут быть отключены пользователем. При возникновении какой-либо неисправности индикаторы холодильной камеры начинают мигать, как показано на рисунке. Перед включением сигнализации неисправности отключаются компрессор, двигатель вентилятора и нагреватели. Заслонка полностью открывается. Сигнализация неисправности отключается только при переходе в режим автоматического тестирования. Индикатор температуры холодильной камеры одновременно служит и индикатором неисправности. Если лампа индикатора горит не мигая, то индикатор указывает температуру холодильной камеры, если же лампа индикатора мигает, это указывает на неисправность.При обнаружении системой управления какой-либо неисправности лампы индикатора начинают мигать и компрессор автоматически выключается (кроме случая подачи сигнала о том, что одна из кнопок осталась нажатой). Индикация неисправности продолжается до тех пор, пока неисправность не будет устранена, а холодильник переведен в режим автоматического тестирования.На рис. 7 указаны поля на индикаторной панели холодильного отделения, свечение которых указывает на неисправность компрессора, предупреждение о том, что кнопка осталась нажатой, короткое замыкание датчика, размыкание цепи датчика, неисправность нагревателя и охлаждения.

Рис. 7. Поля индикации неисправностей
Неисправность охлаждения
Этот сигнал подается в том случае, если температура в морозильной камере остается на 5°С выше заданной после 5 часов непрерывной работы компрессора. В первые 24 часа после включения холодильника в сеть этот сигнал не подается. Причинами этой неисправности могут быть утечка хладагента, открытые в течение длительного времени двери, неисправность вентилятора, установленного в холодильнике, или неправильная работа датчика.
Неисправность нагревателя
Этот сигнал подается в двух случаях:
- если четыре раза подряд для оттаивания требовалось более 60 минут;
- если оттаивание продолжалось максимально долго (60 минут) и после завершения оттаивания температура, согласно сигналам датчика испарителя, не поднялась выше 5°С. Этот сигнал срабатывает в том случае, если нагреватели не работают (или работают не в полную мощность), либо при неисправности датчика.
Сообщение о коротком замыкании датчика
Этот сигнал срабатывает в том случае, если в одном из 3 температурных датчиков происходит короткое замыкание. Короткое замыкание может произойти в разъемах или в проводах, идущих к датчику или к управляющей плате, а также в самом датчике.
Сообщение о разомкнутой цепи датчика
Этот сигнал срабатывает в том случае, если цепь одного из трех датчиков разомкнута. Это может произойти в том случае, если один из датчиков не установлен на место, а также из-за дефекта проводов или плохого контакта на разъемах.
Сообщение о нажатой кнопке
Этот сигнал срабатывает, если одна из кнопок на передней панели холодильника по какой-либо причине остается нажатой более 2 мин. Это может произойти из-за неисправности кнопок или их загрязнения. При включении этого сигнала компрессор не останавливается. Для того чтобы отключить этот сигнал, нужно перевести холодильник в положение автоматического тестирования.
Неисправность компрессора
Этот сигнал срабатывает, если через 10 мин после включения компрессора температура испарителя опускается меньше чем на 3 °С и если это повторяется при трех циклах работы компрессора подряд. Это может произойти либо из-за того, что по какой-либо причине не работает компрессор, либо из-за утечки хладагента, либо при закупорке системы циркуляции.
Режим автоматического тестирования
Одна из главных особенностей данного холодильника — способность находить неисправности при включении режима автоматического тестирования. Для включения данной функции нужно, не позднее чем через 10 с после включения холодильника, нажать кнопки выбора камеры и быстрого замораживания и удерживать их в течение 2 с. После переключения холодильника в режим автоматического тестирования все индикаторы на передней панели холодильника должны светиться в течение 10 с. Если один из индикаторов не светится, это указывает на наличие неисправности, режим автоматического тестирования следует выключить и устранить неисправность. Если неисправность не обнаружена, все индикаторы, кроме индикатора повышенной температуры, выключаются и начинается второй этап автоматического тестирования — проверка звуковой сигнализации. Последовательно подаются сигнал готовности к быстрому замораживанию и сигнал открытой двери.Если обнаруживаются неполадки звуковой сигнализации, то режим автоматического тестирования следует выключить и устранить неисправность. После завершения этих двух этапов производится тестирование систем холодильника, сообщения о найденных неисправностях выводятся на панель с помощью температурных индикаторов, как показано на рис. 8.При обнаружении неисправности процесс автоматического тестирования останавливается. Если неисправность не обнаруживается, то включается следующий этап тестирования. После устранения неисправности необходимо повторить тестирование с самого начала. Неисправности, приводящие к короткому замыканию или размыканию цепей датчиков, могут быть вызваны дефектом датчика или соединения на управляющей плате, но более вероятной причиной является дефект проводов, соединяющих датчики с управляющей платой, или плохой контакт в разъемах.

Рис. 8. Сообщения о неисправностях на индикаторной панели:
1 — поле индикации короткого замыкания датчика испарителя; 2 —разомкнутой цепи датчика испарителя; 3 — короткого замыкания датчика холодильной камеры; 4 — разомкнутой цепи датчика холодильной камеры; 5 — короткого замыкания датчика морозильной камеры; 6 — разомкнутой цепи датчика морозильной камеры
Датчик положения заслонки
Этот датчик представляет собой механический переключатель, который может замыкать или размыкать цепь. Микропроцессор определяет положение заслонки по сигналу этого переключателя. На очередном этапе автоматического тестирования проверяется положение заслонки. Цепь переключателя должна быть либо разомкнута, либо замкнута накоротко, иначе микропроцессор регистрирует неисправность и включает 7-й индикатор.
Причинами этой неисправности могут быть плохой контакт на переключателе, в местах подключения проводов к переключателю или управляющей плате, или же высокое сопротивление проводов. Если такая неисправность не обнаруживается, то холодильник переходит к следующему этапу автоматического тестирования.
Контроль системы охлаждения
На этом этапе проверяется работа системы охлаждения. Включение 8-го индикатора означает, что морозильная камера охлаждается недостаточно. Если в течение первых 30 мин проверки загорается 9-й индикатор, это означает, что холодильная камера чрезмерно охлаждается из-за того, что в нее проникает воздух из морозильной камеры. Если этот индикатор загорается по истечении первых 30 мин данного теста, это означает, что холодильная камера охлаждается недостаточно. Возможны следующие причины недостаточного охлаждения морозильной камеры:
- утечка хладагента;
- неисправность компрессора;
- неисправность в соединениях компрессора;
- неисправность вентилятора, обеспечивающего циркуляцию воздуха в холодильнике;
- неисправность датчика.
Возможные причины чрезмерного охлаждения холодильной камеры:
- из-за какой либо электрической или механической неисправности заслонка остается постоянно открытой;
- из-за неплотного прилегания заслонки или через какие-либо щели в холодильную камеру проникает воздух из морозильной камеры.
Возможные причины недостаточного охлаждения холодильной камеры:
- по какой-либо электрической или механической причине заслонка остается постоянно закрытой;
- в камеру подается недостаточное количество холодного воздуха;
- неисправность вентилятора, обеспечивающего циркуляцию воздуха в холодильнике;
- утечка хладагента.
Проверка нагревателя
Это последний этап автоматического тестирования. На этом этапе компрессор выключается, нагреватели испарителя и дренажного канала включаются и работают в течение 5 мин. Если за это время температура, измеряемая датчиком испарителя поднимается меньше чем на 5 °С, то загорается 10-й индикатор. Наиболее вероятная причина — неисправность нагревателей. Возможные причины включения 10-го индикатора:
- нагреватели не работают или работают с недостаточной мощностью;
- датчик испарителя по какой-либо причине неправильно измеряет температуру.
Завершение автоматического тестирования
Первые 7 этапов автоматического тестирования продолжаются около 2 минут, после чего включается компрессор. Затем проверка продолжается еще около 45 мин, если не обнаруживаются никакие неисправности. После завершения последнего этапа — тестирования работы нагревателей, все индикаторы включаются на 30 с. После этого холодильник начинает работать так же, как при первом включении в сеть. Для того чтобы выключить режим автоматического тестирования, нужно один раз нажать на кнопку «КАМЕРА».
Программа проверки
Для того чтобы перейти к программе проверки, необходимо включить холодильник в сеть при нажатых кнопках выбора температуры и выбора отделения. При включении программы проверки все индикаторы выключаются. При проверке осуществляются следующие операции:
- при нажатии на кнопку выбора камеры должны включиться нагреватель, вентилятор и звуковой сигнал. Они отключаются после того, как кнопка отпускается;
- при нажатии на кнопку выбора температуры должны включиться компрессор и заслонка. Они отключаются после того, как кнопка отпускается;
- при нажатии на кнопку режима быстрого замораживания должны включиться индикаторы, показанные на рис. 9, а;
- при открытии любой из дверей должны включиться индикаторы, показанные на рис. 9, б.
![]() а) |
![]() б) |
Рис. 9. Индикация при выполнении проверочных операций:
а — нажатие на кнопку быстрого замораживания: б — открытие дверей
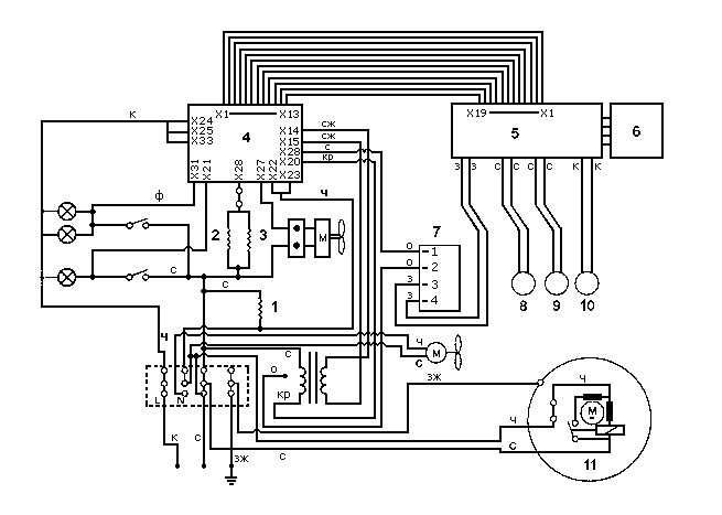
На рис. 10 приведена электрическая схема холодильника.

Рис. 10. Электрическая схема холодильника BEKO NRF 5050 X:
1 — нагреватель воздуховода; 2 — нагреватель испарителя; 3 — нагреватель размораживания; 4 — силовая плата; 5 — управляющая плата; 6 — плата кнопок; 7 — заслонка; 8 — датчик морозильного отделения; 9 — датчик холодильного отделения; 10 — датчик размораживания; 11 — компрессор






